| Sign In | Join Free | My futurenowinc.com |
|
Brand Name : LINK-PP
Model Number : 5-6605408-1
Certification : UL,ROHS,Reach,ISO
Place of Origin : China
MOQ : 50/500/1000
Price : Supportive
Payment Terms : TT,NET30/60/90 Days
Supply Ability : 4600K.PCS/Month
Delivery Time : Stock
Packaging Details : 50pcs/tray,1200pcs/carton
part Number : 5-6605408-1
Specification : 5-6605408-1
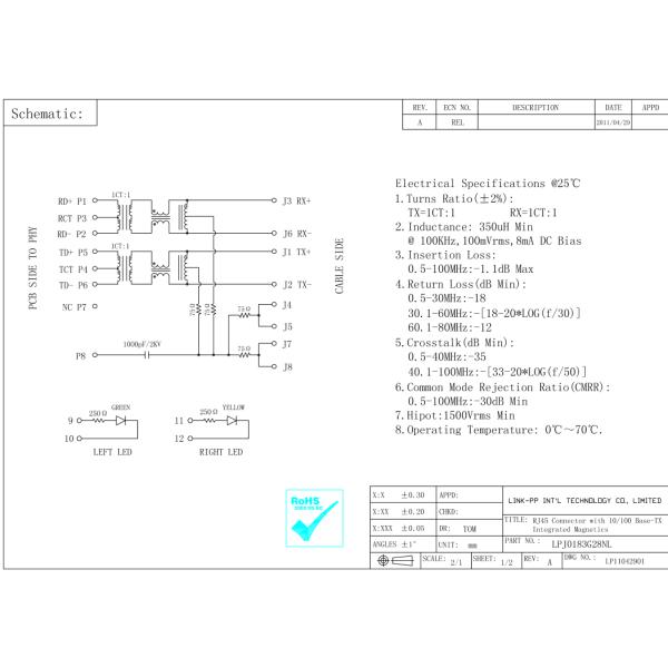
Cross&Datasheet : LPJ0183G28NL
Apllication : 10/100 Mbps
Original Munafactuer : LINK-PP
Project Application : Single-board-computer
Competitor Cross Reference
| Part Number | Manufacturer Part Number | Manufacturer | Description |
5-6605408-1 | LPJ0183G28NL | LINK-PP | 1X1 MAG45(TM),MODULAR JACK, SHIELDED,4N2 SCHEMATIC,415 SERIES CIRCUIT,OPTIONAL DECOUPLING CAPACITOR,WITH RESISTOR LEDS |
| Series | Connector Type | Applications | Mounting Type |
| Connectors, Interconnects | LINK-PP Rj45 | 10/100 Mbps | Thru-Hole |
| Orientation | Termination | LED Color | Shielding |
| 90° Angle (Right) | Solder | G/Y | Shielded ,EMI-Finger |
| Features
| |||
Specifications
5-6605408-1=> LPJ0183G28NL


|
|
5-6605408-1 Magnetic RJ45 Jack LPJ0183G28NL CAPACITOR WITH RESISTOR LEDS PHY Images |