| Sign In | Join Free | My futurenowinc.com |
|
Brand Name : LINK-PP
Model Number : P02-102-11A9
Certification : UL,ROHS,Reach,ISO
Place of Origin : Guangdong,China
MOQ : 50/500/1000/25K
Price : $0.09-$1.85
Payment Terms : TT,NET30/60/90 Days
Supply Ability : 250000-320000/Month
Delivery Time : Stock
Packaging Details : 50pcs/tray,1200pcs/carton
PN : P02-102-11A9
Halo PN : P02-102-11A9
Made In China : LINK-PP LPJ0025DNL
Applications : 10/100Mbps,AutoMDIX
Family : Magnetics Rj45 jack
Orientation : 90° Angle (Right)
LED Color : Green - Yellow
Mounting : Thru_hole
P02-102-11A9 = LPJ0025DNL | ||||||||||||||||||||||||||||||||
| Trader Part Number | P02-102-11A9 Halo |
| ||||||||||||||||||||||||||||||
|---|---|---|---|---|---|---|---|---|---|---|---|---|---|---|---|---|---|---|---|---|---|---|---|---|---|---|---|---|---|---|---|---|
| Manufacturer | Halo | |||||||||||||||||||||||||||||||
| Manufacturer PN | P02-102-11A9 | |||||||||||||||||||||||||||||||
| Description | 10/100Base-T Magjack Rj45 | |||||||||||||||||||||||||||||||
| Lead Free Status / RoHS Status | Lead free / RoHS Compliant | |||||||||||||||||||||||||||||||
| LINK-PP China Factory Cross | LPJ0025DNL Made In China | |||||||||||||||||||||||||||||||
| LPJ0025DNL Quantity Available | 2,000 PCS | |||||||||||||||||||||||||||||||
LINK-PP Made In China,Factory Mass Production List:
| P02-102-11A9 | 74990112121 | 13F-64YGD2PLNW2NL | P02-102-11A9 |
| 99751813-01 | 74990112121 | XFATM2GA-CLGY1-2MS | XFATM6CB-CLYG1-4MS |
| JX0011D21BNL | J00-0045NL | MTJ-88TX1-FSZ-PG-D1LH-M7 | MIC24013-5104T-LF3 |
| RJLD260TC1 | SI-60118-F | HFJ11-E2450E-L12RL | 74990112121 |
| RJLD-260TC1 | J1B1211CFD | XFATM2E-Clxu1-4MS | HFJ11-1G02E-L12V3RL |
| 213A-11XAX-R | RJC-248TC1 | MIC24013-5104T-LF3 | MIC66011-5171T-LF3 |
| JXR0-0015NL | RJLBC-060TC1 | HFJ11-1G02E-L12V3RL | XFO656P-CLxu1-4MS |
| 13F-64HND2NL | HY911105AE | P02-102-11A9 | 24F-2011EGYD2SNWXNL |
| HFJ11-E2450E-RL | 2-1840450-8 | HFJ11-E2450E-L11RL | P02-102-11A9 |
| SJTAB-40LB02-L | RJLB-001TC1 | 13F-64GYDPNS2NL | XFAMT6SA-CLGY1-4MS |
| 3070-110204 | J00-0045NL | HFJ11-1G02E-L12V3RL | LPJ0025DNL |
| 74990112121 | P02-102-11A9 | MIC24013-5104T-LF3 | HFJ11-1G02E-L12V3RL |
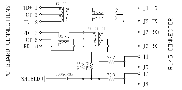
P02-102-11A9 ELECTRICAL SPECFICATIONS: @25℃
ELECTRICAL SPECFICATIONS @25℃
1.Turn Ratio(%%P2%):
1CT:1CT
2.Inductance OCL: 350uH MIN
@100KHz/0.1V,8mA DC Bias
3.Insertion Loss:
-1.1dB MAX @ 0.1-100MHz
4.Return Loss:
-18dB MIN @ 1-40MHz
-14.5dB MIN @ 60MHz
-12dB MIN @ 80MHz
-10dB MIN @ 100MHz
5.Cross talk:
-40dB MIN @ 1-30MHz
-35dB MIN @ 30-60MHz
-30dB MIN @ 60-100MHz
6.Common Mode Rejection:
-40dB TYP @ 0.1-100MHz
7.Hipot Test: 1500Vrms
8.Operating Temperature: 0℃ TO 70℃./ -40℃ TO +85℃


Stech P02-102-11A9 RJ45 Single Port 10/100Base-TX Modular Jacks Without LEDs
|
|
Stech P02-102-11A9 RJ45 Single Port 10/100Base-TX Modular Jacks Without LEDs Images |