| Sign In | Join Free | My futurenowinc.com |
|
Brand Name : LINK-PP
Model Number : CJCS88HG1Y8
Certification : UL,ROHS,Reach,ISO
Place of Origin : Guangdong,China
MOQ : 50/500/1000/25K
Price : $0.09-$1.85
Payment Terms : TT,NET30/60/90 Days
Supply Ability : 250000-320000/Month
Delivery Time : Stock
Packaging Details : 50pcs/tray,1200pcs/carton
Specification : CJCS88HG1Y8
Part No : LPJ0017ABNL
Application : 10/100Base-T
Termination : Solder
LEDs : Optional
Samples : Free Available
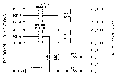
LPJ0017ABNL Cross CJCS88HG1Y8 Rj45 1x10/100 BASE-TX Filter Connector
| Single Port RJ45 Connector , 10/100 Base-T Integrated Magnetics, Green/Yellow LED,Tab Down,RoHS | |
| LINK-PP Part Number | LPJ0017ABNL |
| Other Part Number | CJCS88HG1Y8 |
| Application-Lan | ETHERNET(NoN PoE) |
| AutomDX | YES |
| Bst Circuit | YES |
| Configuration RX | T,C |
| Configuration TX | T,C |
| Contact Mating Area Plating | GOLD 6u"/15u"/30u" |
| Cores per Port | 4 |
| Diodes | NO |
| LED Option | Green/Yellow |
| Latch | TAB DOWN |
| Number of Ports | 1X1 |
| PCB | FR4 |
| PCB Mount Angle | SIDE ENTRY |
| PCB Retaining Post | T POST |
| Package Height (Inches) | 0.528 |
| Package Height (mm) | 13.40 |
| Package Length (Inches) | 0.839 |
| Package Length (mm) | 21.30 |
| Package Width (Inches) | 0.626 |
| Package Width (mm) | 15.90 |
| Pin Type | THT SOLDER |
| RoHS Compliant | YES-RoHS-5 WITH LEAD IN SOLDER EXEMPTION |
| Search | YES |
| Shield EMI Tabs | WITH |
| Speed | 10/100 BASE-T |
| Temperature | 0 TO + 70℃ |
| Turns Ratio RX | 1CT:1CT |
| Turns Ratio TX | 1CT:1CT |

FAQ
Q: How long Delivery time ?
A: RJ45/RJ11 Series: 12~20 days
SFP Series: 25~30 Days
USB Series: 7~15 days
Connector: 7~15 days
Q: How can I get quotation?
A: It is helpful for us to recommend the right item if we know your detail requirements
(number of port, shielded or non-shielded, led or dual leds, with or without transformer etc).
Drawing and quotation will be sent accordingly. Of course, it is best if we have your drawing.
Q: Can I have samples?
A: Samples are available for evaluation.
Q: Is OEM & ODM available?
A: OEM & ODM are welcome.
|
|
LPJ0017ABNL Cross RJ45 Single Port CJCS88HG1Y8 1x10/100 BASE-TX Filter Connector Images |